產品目錄
液體渦輪流量計
液體流量計
水流量計
油流量計
氣體渦輪流量計
橢圓齒輪流量計
電磁流量計
渦街流量計
蒸汽流量計
孔板流量計
旋進旋渦流量計
熱式氣體質量流量計
轉子流量計
浮子流量計
靶式流量計
氣體流量計
超聲波流量計
磁翻板液位計
浮子液位計
浮球液位計
玻璃管液位計
雷達液位計
超聲波液位計
投入式液位計
壓力變送器
差壓變送器
液位變送器
溫度變送器
熱電偶
熱電阻
雙金屬溫度計
聯系我們
- 金湖凱銘儀表有限公司
- 聯系電話:15195518515
- 在線客服:1464856260
- 電話:0517-86801009
- 傳真號碼:0517-86801007
- 郵箱:1464856260@qq.com
- 網址:http://www.527yx.cn
- 地址:江蘇省金湖縣理士大道61號
*先選擇對的液體流量計要分清楚是什么介質
1、具有黏稠性液體:用橢圓齒輪流量計,像潤滑油,高粘度油,糖漿,花生油,汽油,柴油,牙膏,酸奶,食用油液壓油。
2、具有較高粘度的液體:用雙轉子流量計,粘度較高的有橡膠,石蠟,油漆,粘度高石油,增稠劑,瀝青,增稠劑等。
3、帶導電性液體:電磁流量計,污水,自來水,氯化鋁溶液,氯化鈉溶液,硝酸銀,氯化鐵溶液等導電液體。
4、不導電液體:用液體渦輪流量計,此款過濾的液體不能有雜質必須加裝過濾器,純凈水,礦泉水,乙醇,啤酒,礦泉水等液體。
一、電磁流量計
電磁流量計產品種類及適用范圍
電磁流量計由電磁流量傳感器和電磁流量轉換器兩大部分組成,主要分為兩大類:一體型和分離型。
電磁流量計是基于法拉*電磁感應定律原理的流量儀表,用于測量封閉管道中導電液體和漿液的體積流量。它廣泛應用于石油化工、鋼鐵冶金、給水排水、水利灌溉、水處理、環保污水、造紙、醫藥、食品等工農業部門的生產過程的流量測量和控制。
電磁流量計產品特點
1.獨立性強,測量不受液體密度、粘度、溫度壓力和電導率等物理量變化的影響。
2.結構簡單,故障率低,測量管內無活動及阻流部件,不堵塞、無壓損。
3.適用范圍廣,量程比寬,適合導電液體,含有纖維、固體顆粒和懸浮物的液體。
4.安裝要求低,直管段要求低(前 5D 后 2D)。
5.工作穩定可靠,采用低頻方波勵磁,功耗小,零點穩定。
6.輸出信號多樣性,可輸出與流速成正比例的線性模擬信號、數字信號及報警信號。
電磁流量計工作原理
流量計測量原理是基于法拉*電磁感應規律。流量計的測量管是一內襯絕緣材料的非導磁合金短管。兩只電*沿管徑方向穿通管壁固定在測量管上。其電*頭于襯里內表面基本齊平。勵磁線圈由雙向方波脈沖勵磁時,將在與測量管軸線垂直的方向上產生一磁通量密度為 B 的工作磁場。此時,如果具有一定電導率的流體流經測量管,將切割磁力線感應出電動勢 E。電動勢 E 正比于磁通量密度 B,測量管內徑 d 與平均流速 V的乘積、電動勢 E(流量信號)由電*檢出并通過電纜送至轉換器。轉換器將流量信號放大處理后,可顯示流體流量,并能輸出脈沖,模擬電流信號,用于流量的測量和控制。
式中:
E---------為電*間的信號電壓(v)
B---------磁通密度(T)
d---------測量管內徑(m)
V--------平均流速(m/s)
K---------常數
由于 K 為常數,勵磁電流是恒流的,故 B 也是常數,則由(1-1)式可知,體積流量 Q 與信號電壓 E 成正比,即流速感應的信號電壓 E 與體積流量 Q 成線性關系。因此,只要測量出 E 就可確定流量 Q,這就是電磁流量計的基本工作原理。
由(1-1)式可知,被測流體介質的溫度、密度、壓力、導電率、液固兩相流體介質的液固成分比等參數不會影響測量結果。至于流動狀態只要符合軸對稱流動(如層流或紊流)就不會影響測量結果的。因此說電磁流量計是一種真正的體積流量計。
電磁流量計執行標準及技術參數
1 產品執行標準
產品性能符合電磁流量計行業標準 JB/T9248-2008 及 JJG1033-2007 要求。
2 主要技術指標
電磁流量計儀表選型
儀表的選型是儀表應用中非常重要的工作,據有關資料統計,儀表在實際應用中有 2/3 的故障是儀表的錯誤選型和錯誤安裝造成的,請特別注意。具體注意事項如下:
1.被測流體名稱和其化學性能。
2.*大流量、*小流量和常用流量。推薦:常用流量應選擇在 1~3m/s 流速段內,如果不符,請用戶調整所選儀表的口徑規格。
3.*高工作壓力。
4.*高工作溫度、*低工作溫度。
5.被測流體必須具備一定的導電性,導電率≥5μs/cm。
6.*大流量和*小流量必須符合表 2-1 的數據。
7.實際*高工作壓力必須小于流量計的額定工作壓力(見傳感器銘*)。
8.*高工作溫度和*低工作溫度必須符合流量計規定的溫度要求(見傳感器銘*)。
9.確定是否有負壓情況存在。
10.電*和襯里材料的選擇應滿足流體介質的化學性能。
電磁流量計公稱通徑與流量范圍
電磁流量計電*材料的選擇
電磁流量計襯里材料的選擇
電磁流量計正確選擇安裝位置
正確地選擇安裝位置和正確安裝流量計都是非常重要的環節,若在安裝環節失誤,輕者影響測量精度,重者會影響流量計的使用壽命,甚至會損壞流量計。選擇安裝位置時應注意以下問題:
1.測量電*的軸線必須近似于水平方向(與水平線夾角一般為 10°以內)
2.測量管道內必須完全充滿液體。
3.流量計的前方*少要有 5×D(D 為流量計內徑)長度的直管段,后方*少要有 2×D(D為流量計內徑)長度的直管段。
4.流體的流動方向和流量計的箭頭方向一致。
5.管道內要有真空會損壞流量計的內襯,需特別注意。
6.在流量計附近應無強電磁場,儀表安裝場所的磁場強度應小于 400A/m(避免安裝在大型電機或變壓器等設備附近)。
7.若測量管道有振動,在流量計的兩邊應有固定的支座。
8.測量不同介質的混合液時,混合點與流量計之間的距離*少要有 30×D(D 為流量計內徑)。
9.為方便今后流量計的清洗和維護,應安裝旁通管道。
10.安裝聚四氟乙烯內襯的流量計時,連接兩法蘭的螺栓應注意均勻擰緊,否則容易壓壞聚四氟乙烯內襯,*好用力矩扳手。
11.儀表應避免強烈振動和過大的溫度變化,同時要防止腐蝕性液體的滴漏對儀表造成損害。
12.如果安裝地點易受陽光曝曬,應當增加遮蔽設施。
13.安裝傳感器時,應保證測量管與工藝管道同軸。對 50mm 及以下公稱通徑的傳感器,其軸線偏離不超過 2mm。DN65~DN150 其軸線偏離不超過 3mm,≥DN200 其軸線偏離不超過 4mm。
14.法蘭之間加裝的法蘭墊圈,應有良好的耐腐蝕性能,該墊圈不得伸入管道內部。
15.緊固儀表螺栓、螺母,其螺紋應完整無損,潤滑良好。應依據法蘭尺寸、力矩大小采用力矩扳手緊固螺栓。
16.在傳感器鄰近管道進行焊接或火焰切割時,要采用隔離措施,防止襯里受熱,且必須確認儀表未通電運行,防止損壞儀表。
電磁流量計安裝方式
應安裝在水平管道較低處和垂直向上處,避免安裝在管道的*高點和垂直向下處。
應安裝在管道的上升處。
在開口排放的管道安裝,應安裝在管道較低處。若管道落差超過 5m,在傳感器的下游安裝排氣閥且傳感器的下游應有一定的背壓。
應在傳感器的下游安裝控制閥和切斷閥,而不應安裝在傳感器上游。
傳感器絕對不能安裝在泵的進口處,應安裝在泵的出口處。
在測量井內安裝流量計的方式:1.入口 2.溢流管 3. 清洗孔 4.入口柵 5. 短管 6.流量計 7.出口 8.排放閥
二、液體渦輪流量計
液體渦輪流量計概述
渦輪流量計是速度式流量儀表中的一種,也叫葉輪式流量計,以動量矩守恒原理為基礎。
渦輪流量計的結構見右邊圖 1-1 和圖 1-2,流體在管道中流動時沖擊渦輪葉片,使渦輪旋轉,渦輪的旋轉速度隨流量的變化而變化,*后從渦輪的轉數求算出流量值,在二次儀表上進行計數和顯示,可反映出瞬時流量和累積流量(或稱總量),也可轉換成標準信號進行遠傳。此外,傳感器輸出的脈沖頻率信號可以單獨與計算機配套使用,由計算機代替流量顯示儀表實現密度或溫度、壓力補償,顯示流體體積流量或質量流量。是目前流量儀表中比較成熟的高準確度儀表之一。
液體渦輪流量計部件組成
通常渦輪流量計由整流器、儀表管段、傳感器和前置放大器構成。
整流器是為了消除或減少流動中的漩渦流、偏心流等各種非軸對稱流和脈動流而設置于流量計前端管道中的裝置。
儀表管段是指包括整流器、上下游直管段以及流量計在內的配管部分。
傳感器是把轉子的轉動轉換成電信號的裝置。通常把渦輪流量計中感知流體流速的渦輪及其組合(包括前后導流架、軸承、殼體及前置放大器)統稱為渦輪流量傳感器。
前置放大器是為了傳送傳感器的電信號而對其進行放大、整形,從而得到輸出信號的裝置。將輸出信號的信號處理、轉換部分稱為二次儀表或顯示儀表。
液體渦輪流量計工作原理
流體通過傳感器殼體時,由于葉輪的葉片與流向有一定的角度,流體的沖力使葉片具有轉動力矩,克服摩擦力矩和流體阻力之后葉片旋轉,在力矩平衡后轉速穩定,在一定的條件下,轉速與流速成正比,由于葉片有導磁性,它處于信號檢測器(由永久磁鋼和線圈組成)的磁場中,旋轉的葉片切割磁力線,周期性的改變著線圈的磁通量,從而使線圈兩端感應出電脈沖信號,此信號經過放大器的放大整形,形成有一定幅度的連續的矩形脈沖波,可傳至顯示儀表,顯示出流體的瞬時流量或累積流量。
在一定的流量范圍內,脈沖頻率 f 與流經傳感器的流體的瞬時流量 Q 成正比,流量方程為:
式中 qv —— 流體的瞬時流量(工作狀態下)m3/h ;
f —— 脈沖頻率,Hz;
K —— 傳感器的儀表系數 m-3 ,由校驗單給出。
每臺傳感器的儀表系數由我公司填寫在檢定**中,K 值設入配套的顯示儀表中,便可顯示出瞬時流量和累積總量。
液體渦輪流量計產品特點與材質
本公司產品的各項零部件均采用高精度的數控機床加工成型,具有一致性好,產品質量穩定,各項指標均優于同類國標要求。
傳感器閥體采用國標 304 不銹鋼制作,法蘭采用 HG20593-2009、PN16 標準;
前后導向支架選用 304 不銹鋼精密鑄造成型,表面光潔度高,對流體通過時阻力小,與閥體緊密配合,在大流量通過時無噪聲。
軸承選用高品質硬質合金軸承,耐磨蝕、耐腐蝕、壽命高。
葉輪選用高導磁不銹鋼材料,整體式設計,經過高精密加工中心的一道道精雕細琢,品質優良,從而保證了整機的性能要求。
二次儀表選用國內知名廠家的產品,以確保整機在使用中的穩定性和精準性。
液體渦輪流量計適用場合
我公司研制生產的 LWGY 型渦輪流量計是在吸收國內外流量儀表的先進技術并結合實際使用情況加以優化設計而成的新一代渦輪流量計,廣泛應用于測量封閉管道中與不銹鋼 1Cr18Ni9Ti、2Gr13、剛玉 Al2O3和硬質合金不起腐蝕作用,且無纖維、顆粒等雜質,工作溫度下運動粘度小于 5*10-6m2/s 的液體,對于運動粘度大于 5*10-6m2/s 的液體,可對流量計進行實液標定后使用。若與具有特殊功能的顯示儀表配套,還可以實現定量控制、超量報警等功能,是流量計量和節能的理想儀表。與相應的流量積算儀表、現場顯示表等配套可用于測量液體的流量和總量。它被廣泛用于石油、化工、冶金、科研、國防、計量等領域的計量、控制系統。
如用戶需用特殊形式的傳感器,可協商訂貨,需防爆型傳感器時,在訂貨中加以說明。
液體渦輪流量計規格代號與儀表參數
1 規格代號的表示方法
LWGY 型渦輪流量傳感器型號和規格代號表:
2 儀表參數
傳感器的公稱通徑、流量范圍、流體溫度、公稱壓力、環境溫度、相對濕度、*大壓力損失表:
液體渦輪流量計產品特點
本公司生產的渦輪流量計主要有以下特點:
1 優點
①準確度高。渦輪流量計的測量精度一般為±0.25%R~±0.5%R,高精度型可達±0.15%R。在線性流量范圍內,即使流量有所變化也不會降低累積準確度。
②測量范圍寬。*大和*小線性流量比通常為 6:1~10:1,有的大口徑流量計甚至可達 40:1,故適宜流量大幅度變化的場合。
③重復性好。短期重復性可達 0.05%~0.2%,由于具有良好的重復性,因此在貿易結算中是優先選用的流量計。
④壓力損失小。流通能力大(同樣口徑可通過的流量大)。
⑤耐高壓。由于外形簡單并且采用磁電感應結構,儀表殼體上無需開孔,容易實現耐高壓設計,可用于高壓液流的測量。
⑥數字信號輸出。傳感器輸出的是與流量成正比的脈沖頻率信號(即數字信號),易于遠傳,因此適用于總量及瞬時流量的計量與控制,信號的抗干擾能力也較強。獲得的信號頻率高,信號分辨率強。
⑦安裝維修方便。結構簡單輕巧,安裝維護方便。因為無滯留部分,內部清洗簡單。如發生故障,并不影響管道內流體的輸送。
⑧適用范圍廣。基本上為圓筒形設計,容易適應高溫、高壓的要求和低溫流體的測量;
⑨耐腐蝕。傳感器采用國標不銹鋼抗腐蝕材料制作,耐腐蝕性能好。
2 局限性
①不能長期保持校準特性,需定期校驗。對于貿易儲運等有高準確度測量要求的,*好配備現場校驗設備,可定期校驗以保持其特性。
②不太適宜高黏度型介質。對黏度變化反應敏感。介質黏度增大使流量計測量下限值提高,范圍度縮小,線性度變差。
③儀表受來流流速分布畸變和旋轉流影響較大,傳感器上下游所需直管段較長,如安裝空間受限制,可加裝流動調制器(整流器)以縮短直管段長度。
④對被測介質清潔度要求較高。
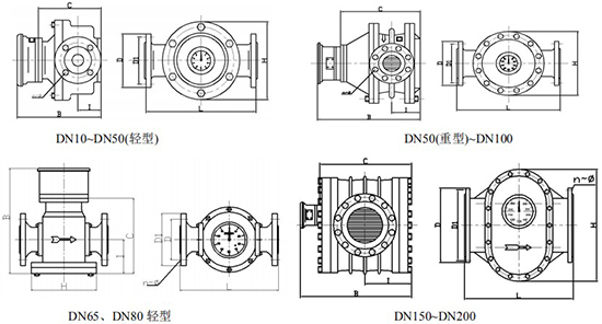
液體渦輪流量計外形尺寸參數
液體渦輪流量計安裝方法
渦輪流量傳感器的安裝布置簡圖如圖 6-1。
渦輪流量計在出廠時將流量傳感器、檢測部件、流量顯示儀表等組件分開包裝,在現場安裝的步驟如下:
①檢查傳感器、檢測部件、流量顯示儀表的出廠編號(或儀表系數)是否一致,切不可將不同出廠編號(或儀表系數)的組件混合安裝,以免影響測量準確度。
②按安裝要求將傳感器組件裝在管路上。
③用螺紋連接方式將檢測部件固定在傳感器組件上。
④在傳感器殼體上安裝流量顯示儀表組件(整體安裝),或將流量顯示儀表安裝在傳感器附件的管路上。
液體渦輪流量計的安裝
1.在安裝渦輪流量傳感器時,必須保證滿管安裝,即管道中充滿流體。否則流量測量會受到影響,導致測量誤差。水平安裝時如圖 6-2 示意安裝,垂直時如圖 6-3 示意安裝。
2.若流量傳感器安裝位置位于管線的低點,為防止流體中雜質沉淀滯留,應在其后的管線安裝排放閥,定期排放沉淀雜質。
3.流量計一般水平安裝,要垂直安裝時需在訂貨時說明。
4.流量傳感器不應裝在水平管線的*高點,以免管線內聚集的氣體(如停流時混入空氣)停留在流量傳感器處不易排出而影響測量。正確安裝參見圖 6-4 的方式。
5.傳感器的安裝方式根據規格不同,采用螺紋或者法蘭安裝。嚴禁在流量計殼體上進行焊接。焊接時必須將流量計拆離管線。
6.安裝流量計前應將管道內的雜物、焊渣、粉塵清理干凈。
7.在需要連續運行不能停流的場合,為了檢修時不致影響流體的正常輸送,建議在流量傳感器的安裝處,按圖 6-1 設置旁通管路和可靠的截止閥,測量時應保證旁通管路無泄漏。
8.流量計安裝時,其上、下游應根據使用說明書的要求配置相應長度的直管段。傳感器上游端至少有 20 倍公稱通徑長度的直管段,下游端應不少于 5 倍公稱通徑長度的直管段。
9.為保證流量計的使用壽命,必須安裝過濾器。對于不能停流的,應并聯安裝兩套過濾器,輪流清除雜質,或選用自動清洗型過濾器。
10.安裝時注意流體方向,不得反向安裝。
11.需要安裝流量調節閥的場合,調節閥應安裝在流量計的下游處,以減少來自上游的流量干擾,利于流量的調節穩定。上游側的截止閥測量時應全開,且這些閥門都不得產生振動和向外泄漏。壓力表可裝在上下游進出口處,溫度計應裝在下游 5DN 處。對于可能產生逆向流的管線應加裝止回閥以防止流體反向流動。
12.流量傳感器露天安裝時,請做好遮陽和防雨淋措施。
13.流量計外殼設有接地端子,應可靠接地,但不得與強電系統地線共用。
14.現場安裝、維護必須遵守“有爆炸性氣體時勿開蓋”的警告語,并在開蓋前關掉外電源。
15.拆裝流量計時,對磁感應部分不能碰撞。
16.投入運行前先進行儀表系數的設定。仔細檢查,確保儀表接線無誤,接地良好,方可送電。
17.渦輪流量計所安裝的管道不得對其施加任何應力。
18.進行管道耐壓試驗時,渦輪流量計不得安裝在管道上。
19.流量計顯示儀表應可以轉動一定角度。
三、橢圓齒輪流量計
橢圓齒輪流量計概述
橢圓齒輪流量計是用于管道中液體流量連續或間斷測量和控制的容積式計量儀表。它具有量 程范圍大、準確度高、壓力損失小、粘度適應性強、能測量高溫高粘液體、標定方便、安裝建議等諸多優點。適用于石油、化工、化纖、交通、商貿、食品、醫藥衛生等部門的流量計量。
LC 系列橢圓齒輪流量計裝有指針和字輪累積裝置,可現場直接顯示流經管道內的液體流量和 瞬時流量。在計數機構中附加發訊裝置與電顯儀表配套可實現累積、定量和瞬時流量遠傳集中控制。 加裝散熱器或橢輪欠齒可測量高溫、高粘液體。
不同的液體(酸、堿、鹽、有機溶液等)流量計主體可選擇不同的材質制造。
橢圓齒輪流量計結構與工作原理
橢圓齒輪流量計由流量變送器和計數機構組成。變送器與計數機構之間加裝散熱器,則構成高 溫型流量計。送變器由裝有一對橢圓齒輪轉子的計量室和密封聯軸器組成,計數機構則包含減速機 構、調節機構、計數器、發訊器。
計量室內由一對橢圓齒輪與蓋板構成初月形空腔作為流量的計量單位。橢圓齒輪靠流量計進出 口壓力差推動而旋轉,從而不斷地將液體經初月形空腔計量后送到出口處,每轉流過的液體是初月 形空腔的四倍,由密封聯軸器將橢圓齒輪轉的總數以及旋轉的快慢傳遞給計數機構或發訊器,便可 知道通過管道中液體總量和瞬時流量。
1.各種計數器功能及代號
2.型號及主要零件材質
*如有特殊需要請另行注明
橢圓齒輪流量計性能(誤差與壓力損失曲線)
解釋:1 圖中各種不同液體可用精度調節裝置將流量計誤差調整在 0 軸上下,使誤差達*佳值。
2 任何液體縮少流量量程比情況下,用精度調節裝置可提高流量計精度。
橢圓齒輪流量計技術參數
1 鑄鐵型、鑄鋼型、不銹鋼型橢圓齒輪流量計
2 高粘型橢圓齒輪流量計
3 高精度橢圓齒輪流量計
橢圓齒輪流量計外形尺寸
1 鑄鐵型橢圓齒輪流量計外形尺寸
型號:LC—A、LC—NA
2 鑄鋼型外形尺寸
型號:LC—E、LC—NE、 (外形同上)
*DN10/DN50(輕型)/DN65/DN80(輕型)法蘭尺寸為 1.6MPa 標準;其余口徑為 6.4MPa 標準;
3 LC—B 型不銹鋼橢圓齒輪流量計外形尺寸(單位:mm)
*高溫型橢圓齒輪流量計外形尺寸:DN15~DN50(輕型),B 尺寸按上表數據加 100mm 熱延伸管;DN50 (重型)~DN200,B 尺寸按上表尺寸加160mm 熱延伸管,其余尺寸同上表相應尺寸。
橢圓齒輪流量計的安裝使用
1 流量計前應安裝配套過濾器,且配套過濾器的出口緊接流量計的入口,兩者本體上箭頭指向 與液體流向一致。
2 當被測液體含有氣體時,流量計前應安裝消氣過濾器。
3 不論管路是垂直還是水平安裝,但流量計中的橢圓齒輪應安裝成水平位置(即表度盤應與地 面垂直)。
4 流量計在正確安裝情況下,如果不易看清讀數,可把計數器轉向 180 度或 90 度均可。
5 新流量計在安裝前先用竹棍從出口處把橢圓齒輪推幾次,如發現不動,可以用柴油浸泡(避免 出廠校驗后內存沉淀物)。
6 流量控制閥應安裝在流量計進口處,開閉閥門裝在出口處,使用開閉閥時緩慢啟動,不要突 然開啟以防“水擊”現象。
7 在新管道上安裝流量計前,管道需要沖洗,沖洗時采用直管段(替代流量計位置)防止焊渣, 雜物等進入流量計。
8 嚴禁用水校驗鑄鐵、鑄鋼材質的流量計。
9 流量計在使用時流量大小不得超過技術要求.流量計工作在*大流量 50—80%為優。
10 被測液體如果具有化學腐蝕性,須選用不銹鋼材質的流量計。
橢圓齒輪流量計常見故障原因,排除方法
橢圓齒輪流量計型號標識
四、超聲波流量計
超聲波流量計概述
本說明書只作為簡易操作手冊,用戶需了解詳細操作歡迎來電咨詢。
新一代產品增加了以下特點和功能:
1、硬件模塊化設計,生產及維修操作簡易;
2、電氣隔離 RS485 接口,含 MODBUS、M-BUS 等 10 多種通訊協議;
3、電氣隔離 0-20mA 或 4-20mA 電流環輸出;
4、帶有熱量測量功能;
5、8-36VDC,220VAC 供電方式可選;
6、具有手動累積器及批量控制器等功能;
7、年月日累積記錄功能,可記錄前 512 天(每天)、前 128 個月(每月)的累積流量及累積熱量等數據;
8、三路精度為 0.1%的模擬輸入;
使用前請先了解產品的工作電源和型號,防止誤接造成不正常工作或損壞。
超聲波流量計系列產品原理、種類及優勢
本公司超聲波流量計系列產品可選配外夾式、插入式、管段式等傳感器,解決了原有產品小流量漂移問題。與機械水表相比具有無活動部件,始動流量低,量程比寬,測量精度高, 使用壽命長等特點。超聲波在流動的流體中傳播時就載上流體流速的信息。因此通過接收到的超聲波就可以檢測出流體的流速,從而換算成流量。根據檢測的方式,可分為傳播速度差法、多普勒法、波束偏移法、噪聲法及相關法等不同類型的超聲波流量計。超聲波流量計是近十幾年來隨著集成電路技術迅速發展才開始應用的一種。
本公司生產的超聲波流量計種類多。有非接觸式儀表,適于測量不易接觸和觀察的流體以及大管徑流量,眾所周知,工業流量測量普遍存在著大管徑、大流量測量困難的問題,這是因為一般流量計隨著測量管徑的增大會帶來制造和運輸上的困難,造價提高、能損加大、安裝不僅這個缺點,超聲波流量計均可避免。因為各類超聲波流量計均可管外安裝、非接觸測流或者插入式安裝,儀表造價基本上與被測管道口徑大小無關,而其它類型的流量計隨著口徑增加,造價大幅度增加,故口徑越大超聲波流量計比相同功能其它類型流量計的功能價格比越優越,使用超聲波流量計不用在流體中安裝測量元件故不會改變流體的流動狀態,不產生附加阻力,儀表的安裝及檢修均可不影響生產管線運行因而是一種理想的節能型流量計,被認為是較好的各類管徑流量測量儀表。在發電廠,化工廠,鋼鐵廠等中,用手持式或者便攜式超聲波流量計測量水輪機進水量、汽輪機循環水量等大管徑流量,比過去的皮脫管流速計方便得多。另外,超聲測量儀表的流量測量準確度幾乎不受被測流體溫度、壓力、粘度、密度等參數的影響,又可制成非接觸及便攜式測量儀表,故可解決其它類型儀表所難以測量的強腐蝕性、非導電性、放射性及易燃易爆介質的流量測量問題。另外,鑒于非接觸測量特點, 再配以合理的電子線路,儀表可適應多種管徑測量和多種流量范圍測量。管道使用檢測流量時,超聲波流量計通常有外夾式安裝,插入式安裝和管道式安裝,在現場完成密封不可開孔時,可推薦使用外夾式安裝,在現場不方便剖開管道時,可推薦使用插入式安裝,在使用現場方便開口的情況下,可推薦使用管道式超聲波流量計,焊接法蘭,對夾法蘭即可。 超聲波流量計的適應能力也是其它儀表不可比擬的。超聲波流量計具有上述一些優點因此它越來越受到重視并且向產品系列化、通用化發展,現已制成不同聲道的標準型、高溫型、 防爆型儀表以適應不同介質,不同場合和不同管道條件的流量測量。
超聲波流量計技術特點
1、測量精度:1.0%;
2、工作電源:隔離 DC8-36V 或 AC85-264V;
3、功 耗:工作電流 50mA(不連接鍵盤和蜂鳴器不響的條件下);
4、可選輸出:1 路標準隔離 RS485 輸出;1 路隔離 4-20mA 或 0-20mA 輸出;雙路隔離 OCT 輸出(OCT1 脈沖寬度 6-1000ms 之間可編程,默認 200ms);1 路雙向串行外設通用接口,可以直接通過串聯的形式連接多個諸如 4-20mA 模擬輸出板;
5、可選輸入:三路 4-20mA 模擬輸入回路;
6、顯 示:2×10 漢字背光顯示器(中英文雙語可選擇);
7、操 作:16 按鍵窗口化操作;
8、其它功能:自動記憶前 512 天,前 128 個月,前 10 年正負凈累積流量自動記憶前 30 次上、斷電時間和流量并可實現自動或手動補加,并可以通過 MODBUS 協議讀出;
9、流量傳感器:外夾式;
超聲波流量計操作與顯示
產品采用了窗口化軟件設計,所有輸入參數、一起設置和顯示測量結果統一細分為100多個獨立的窗口表示,使用者通過“訪問”特定的窗口即可達到輸入參數、修改設置或顯示測量結果的目的,窗口采用兩位數字(包括+號)編號,從00~99,然后是+0、+1等。窗口號碼或稱窗口地址碼,表示特定的含義。
16鍵鍵盤的操作與顯示(按鍵面板如下圖所示)
菜單一覽表
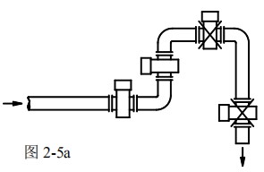
超聲波流量計安裝步驟(分為三步驟)
*一步驟:快速輸入核對所安裝管道參數
*二步驟:接線(接主機線和探頭線)
一.主機部分接線如圖所示:
(1)電源接線
電源接線按照接線圖標識:有 AC 220V 和 DC 24V 兩種電源,任選一種
(2)傳感器接線
下游探頭接:從左到右 1 2 3 接線端子,GND DN- DN+,屏蔽線通??刹唤?,通常默認只需要接 DN- DN+ (從左到右 2 號端子 3 號端子)
上游探頭接:從左到右 4 5 6 接線端子,GND UP- UP+,屏蔽線通常可不接,通常默認只需要接 UP- UP+ (從左到右 5 號端子 6 號端子)
(3)4-20mA 電流輸出接線
4-20mA 接:AO 和 24V-兩個端子,AO 端子接 4-20mA+ 24V-端子接 4-20mA-
(4)485 通訊接線
485 通訊接:485 OUT A 485 OUTB
(5)熱量表接線
熱量功能供水接:TX1 T1 GND;熱量功能回水接:TX2 T2 GND;(供水回水 GND 共接)
(6)繼電器接線
RELAY+ RELAY-
二.探頭部分接線如圖所示:
屏蔽線通??刹唤樱ǔDJ只需要接 + - 兩個端子
*三步驟:選擇安裝位置,打磨管道,安裝探頭
安裝傳感器,*先選擇欲安裝位置(安裝位置要滿管穩流,離泵和彎頭要遠?。?,選定后, 使用角磨機或者粗砂紙將欲安裝傳感器的區域拋光,除掉銹跡油漆或防銹層,露出管道金屬 本質,然后在傳感器上涂抹足夠的耦合劑,*后把傳感器緊貼在管壁上并捆綁好,夾具(不 銹鋼帶)應固定好,使之受力均勻;注意傳感器和管壁之間不能有空氣泡和沙礫等臟東西。
安裝距離
外夾式傳感器安裝間距以兩傳感器的*內邊緣距離減去 35mm 為準(參見安裝距離定義 示意圖),間距的計算方法是*先在菜單中輸入所需的參數以后,查看窗口 M25 所顯示的數 字,并按此數據減去 35mm(Z 法安裝)安裝傳感器。
安裝方式
外夾式傳感器的安裝方式共有三種。分別是 Z 法、N 法和 W 法。(默認為 Z 法安裝?。?Z 法
Z 法是*常用的安裝方法,特點是超聲波在管道中直接傳輸,無反射(稱為單聲程), 信號衰減損耗*小。Z 法可測管徑范圍為 15mm-6000mm。現場實際安裝時,都選用 Z 法(這 樣測得信號*大)
注意:
(1)此圖為頂視圖,兩個探頭在現場安裝時是管道兩側,不是上下?。?!
(2)參數設置正確后,實際探頭安裝距離為表里 M25 表示的安裝距離減去 35mm?。。?
























































